上海萌生机电设备有限公司
电话 :18019499221 董先生
邮箱:denisdong@mansionchina.com
发布时间 :2023-02-23 18:33:16
|
|
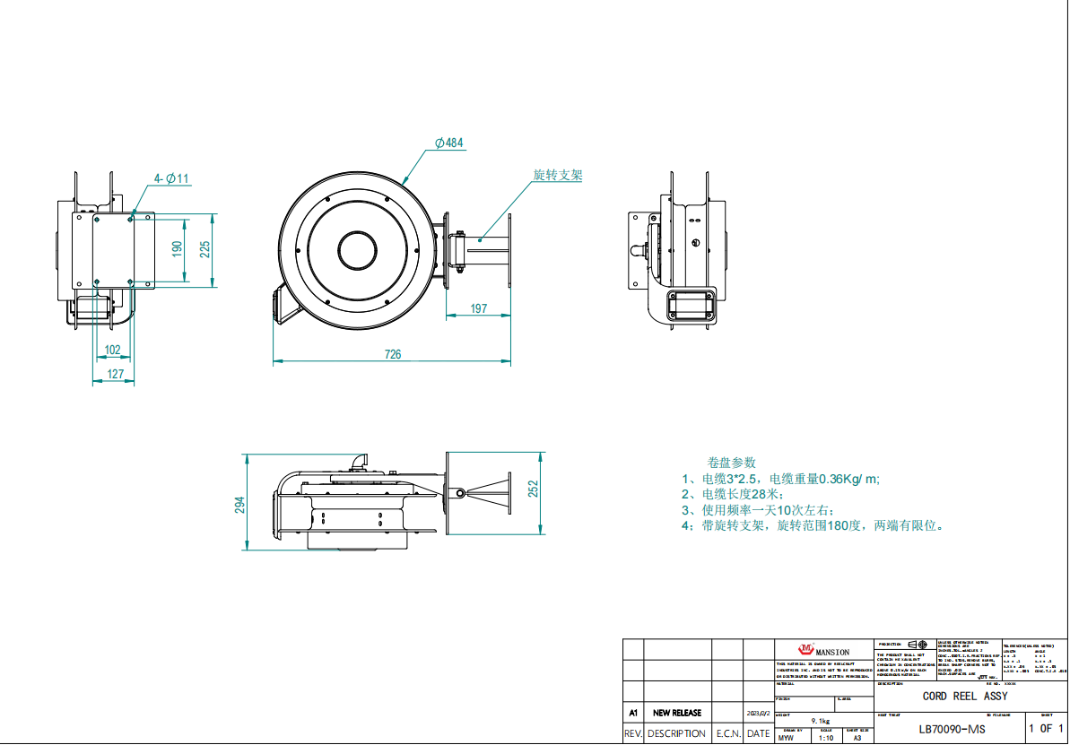
参数: 线缆规格:电缆3*2.5mm²,电缆重量0.36Kg/m 线缆长度:28米 电 压:380v 电 流:26A 外 观:粉末喷涂,红色,其他颜色可选 旋转支架:旋转范围180度,两端有限位 |
用途: 工厂车间:电动工具、焊接、 电缆收卷
|

上海萌生机电设备有限公司
电话 :18019499221 董先生
邮箱:denisdong@mansionchina.com
Copyright ©http://www.mansion-reel.com 上海萌生机电设备有限公司网站 All rights reserved. 沪ICP备14008159号-4
卷管器,卷盘,气力传输器,锐技卷管器