上海萌生机电设备有限公司
电话 :18019499221 董先生
邮箱:denisdong@mansionchina.com
发布时间 :2023-02-23 09:45:29
加拿大原装,国际一流品牌,更低价格!
Streamtek 优质低价,为您提供更好的选择!
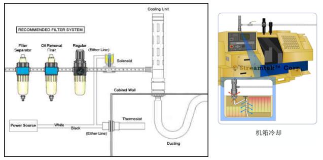
用于机箱冷却、免维修、长寿命,适用于脏污环境
1、不锈钢材质,使用寿命10年以上。
2、稳定的温度/湿度。无需冷媒,无需用电,环保安全。
3、可选温控套件,维持柜内温度。
4、汇放阀自动排出柜内柜内热气,柜内形成微正压。
5、自带消音器静音,安静操作
6、冷气分配管钻孔,导流并针对性制冷。易于安装,柜上开孔即可。
应用广泛,各个行业均大量使用!
钢铁、机械、有色、石油化工、建材、汽车、航空航天等大量使用!
简介 >>
机箱冷却器将经过过滤的压缩空气温度降低45度,用低温冷气冷却机柜内电气元件,是一种成本低、可靠的冷却方法。机箱冷却器上的泄放阀排出柜内的热气,同时机箱冷却器向柜内连续供应洁净的冷气。
核心优势 >>
* 产生降温30度以上的干燥冷气流(为什么不是70度?确保最大制冷功率!)
* 更低的采购价格:同比进口品牌
* 无移动部件,终生免维护
* 替代冷却液喷雾系统的最佳选择
* 不锈钢材质,使用寿命10年以上。
* 稳定的温度/湿度。无需冷媒,无需用电,环保安全。
* 可选温控套件,维持柜内温度。
* 汇放阀自动排出柜内柜内热气,柜内形成微正压。
* 自带消音器静音,安静操作
* 冷气分配管钻孔,导流并针对性制冷。
* 易于安装,柜上开孔即可。
* 应用于所有封装控制柜需要冷却的场合
原理示意动画图 >>
(A)压缩空气通过标准NPTM入口进入涡流管。
(B) (C) (D)涡流管把压缩空气分成冷、热两股气流。
(D)热气流消音后排放到大气中。
(E)机柜内热气通过机箱冷却器排气口排出,在机柜内形成微正压。
(G) (H)冷气通过冷气分配器套件进入柜内,冷气分配管上开有小孔,用于把冷气输送到最需要的地方。
应用 >>
1、冷却大功率电源中整流、变流元件。
2、冷却电控柜。
3、冷却继电器控制面板、敏感液晶显示屏。
4、处理热融化。
5、冷却焊接部件。
6、冷却样气。
7、电子元件冷却。
8、冷却热密封封口。
9、冷却环境舱 。
10、冷却工业控制微机系统。
11、防暴等危险环境中的环境屏蔽、隔离。

性能参数 >>
安装:STREAMTEK机箱冷却器必须垂直安装。安装时只需钻一个直径1-1/8"(27mm)的孔即可。
湿度:关闭所有的可能进入环境空气的开口和通风口,这是非常重要的,特别是在高温高湿度的环境。
对于所有连续运行型机箱冷却器柜内的相对湿度稳定在45%。
过滤:所有STREAMTEK机箱冷却器都包括一个5微米级灰尘和水过滤器。为防止任何意外的水流入机柜内该过滤器是必要的。如果压缩空气中有油,可使用0.3微米级油过滤器。
NEMA 4/4X (IP56):设计用于防溅、防尘、防油的户外冲洗环境。当机箱冷却器不工作时,低压安全阀关闭和密封,以保证NEMA4机柜的密封性。采用不锈钢(303)材质,确保在潮湿环境下的使用寿命。
NEMA 12 (IP52):防尘防油,用于不接触液体的工业环境。采用不锈钢(303)材质能够承受严酷的腐蚀性环境。

选型 >>
机箱冷却器选型步骤:
1、确定机箱内产生的热量
机箱内产生热量通常按设备总功率的10%计算。
单位转换:(W) =Watts x 3.41 (Btu/hr.)
2、确定与空气接触区域面积,不包括机箱的顶部。
(S) =2×(长+宽)×高度(m2 )
3、确定柜内温度和柜外温度的温差形成的单位面积热负荷(B)。
用右表来确定 Btu/hr./ m2
4、确定外部热负荷(H)。
(S) x (B) = (H) Btu/hr.
5、用(W)和(H)得到总热负荷,根据总热负荷选取机箱冷却器型号。
注:若有问题请致电,我司技术人员将为您提供选型帮助。

上海萌生机电设备有限公司
电话 :18019499221 董先生
邮箱:denisdong@mansionchina.com
Copyright ©http://www.mansion-reel.com 上海萌生机电设备有限公司网站 All rights reserved. 沪ICP备14008159号-4
卷管器,卷盘,气力传输器,锐技卷管器